Skip to content Skip to sidebar Skip to footer

C0561 System Disabled Information Stored

C0561 71 Chevrolet Captiva

C0561 71 Chevrolet Captiva

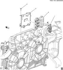
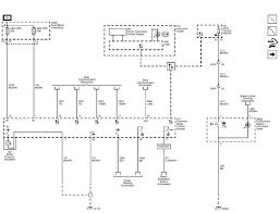
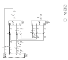
C0561 system disabled information stored. System Disabled Information Stored Invalid Serial Data Received Description. The Electronic Brake Control Module EBCM receives serial data messages from the Body Control Module BCM Engine Control Module ECM Instrument Panel Cluster IPC and the Transmission Control Module TCM which are needed to perform Antilock Brake System ABS Vehicle Stability Enhancement System VSES or Traction Control System TCS. The traction control system gets its data from the ABS system.

Search results for query. C0561-71 System disabled Information stored invalid serial data received C0561-72 System disabled Information stored alive counter incorrect. The electronic brake control module EBCM disables the traction control when other electronic control modules set DTCs for components that effect the operation of the traction control system.

Clicking this will make more experts see the question and we will remind you when it. C0561-71 System disabled Information stored invalid serial data received. DTC C0561 System Disabled Information Stored.

This diagnostic procedure supports the following DTC. C0561 System disabled information stored. What does this mean.

2008 Chevrolet Equinox 34LP0601 Control module read only memory test failed C0550 ECU performance C0561 System disabled information stored invalid serial data received symptom 71vehicle will run. This code relates to wheel speed sensors and reason for your traction control light being ON P0300 is a multiple misfire. C0561-71 System disabled Information stored invalid serial data received C0561-72 System disabled Information stored alive counter incorrect.

You are going to need to get the P0300 cleared and repaired before you head home. C0561 Symptom 71 - System Disabled Information Stored Invalid Serial Data Received B1325 Symptom 03 - Device Power 1 Low Current 1 Circuit Malfunction B0081 Symptom 00 - Passenger Presence System 1. This particular code is for GM and relates to the traction control system.

The Electronic Brake Control Module EBCM receives serial data messages from the Body Control Module BCM Engine Control Module ECM Instrument Panel Cluster IPC and the Transmission Control Module TCM which are needed to perform Antilock Brake System ABS Vehicle Stability Enhancement System VSES or Traction Control System TCS functions. System Disabled Information Stored Invalid Serial Data Received CircuitSystem Description The electronic brake control module EBCM receives serial data messages from the ECMPCM and the TCM which are needed to perform antilock brake system ABS vehicle stability enhancement system VSES or traction control system TCS functions.

C0561 71 Chevrolet Captiva

C0561 71 Chevrolet Captiva

2007 Chevy Mlibu Maxx With The Code Co561 C0561 System Disabled Information Stored Invalid Serial Data Recieved

2007 Chevy Mlibu Maxx With The Code Co561 C0561 System Disabled Information Stored Invalid Serial Data Recieved

C0561 71 Chevrolet Captiva

C0561 71 Chevrolet Captiva

C0561 Gm Vehicles Ricks Free Auto Repair Advice Ricks Free Auto Repair Advice Automotive Repair Tips And How To

C0561 Gm Vehicles Ricks Free Auto Repair Advice Ricks Free Auto Repair Advice Automotive Repair Tips And How To

How To Fix Code C0561 11 2021

How To Fix Code C0561 11 2021

C0561 71 Chevrolet Captiva

C0561 71 Chevrolet Captiva

2007 Chevy Mlibu Maxx With The Code Co561 C0561 System Disabled Information Stored Invalid Serial Data Recieved

2007 Chevy Mlibu Maxx With The Code Co561 C0561 System Disabled Information Stored Invalid Serial Data Recieved

Code C0561 77 11 2021

Code C0561 77 11 2021

Found Problem For All Hhr S Possibly Page 2 Chevy Hhr Network

Found Problem For All Hhr S Possibly Page 2 Chevy Hhr Network

I Have A 2007 Cadillac Escalade With A Traction Control Activation Issue The System Sometimes Will Reset Itself No

I Have A 2007 Cadillac Escalade With A Traction Control Activation Issue The System Sometimes Will Reset Itself No

C0561 71 Chevrolet Captiva

C0561 71 Chevrolet Captiva

Code C0045 And C0561 Abs Track Lights All Wheel Drive Off

Code C0045 And C0561 Abs Track Lights All Wheel Drive Off

C0561 71 Chevrolet Captiva

C0561 71 Chevrolet Captiva

Code C0561 77 11 2021

Code C0561 77 11 2021

Meriva B 2010 C0561 71 Cruise Control Parking Brake Stalling Vauxhall Owners Network Forum

Meriva B 2010 C0561 71 Cruise Control Parking Brake Stalling Vauxhall Owners Network Forum

Trouble With Dtc Codes Long Chevy Hhr Network

Trouble With Dtc Codes Long Chevy Hhr Network

Code C0045 And C0561 Abs Track Lights All Wheel Drive Off

Code C0045 And C0561 Abs Track Lights All Wheel Drive Off

Dtc Buick C0561 71 Short Explanation Youtube

Dtc Buick C0561 71 Short Explanation Youtube

Bcm Harness Question Corvetteforum Chevrolet Corvette Forum Discussion

Bcm Harness Question Corvetteforum Chevrolet Corvette Forum Discussion

Need Help With Abs Tc Corvetteforum Chevrolet Corvette Forum Discussion

Need Help With Abs Tc Corvetteforum Chevrolet Corvette Forum Discussion

I Have A 2007 Cadillac Escalade With A Traction Control Activation Issue The System Sometimes Will Reset Itself No

I Have A 2007 Cadillac Escalade With A Traction Control Activation Issue The System Sometimes Will Reset Itself No

I Have A 2007 Cadillac Escalade With A Traction Control Activation Issue The System Sometimes Will Reset Itself No

I Have A 2007 Cadillac Escalade With A Traction Control Activation Issue The System Sometimes Will Reset Itself No

07 Gmc Yukon C0561 Code 11 2021

07 Gmc Yukon C0561 Code 11 2021

Chevy Stabilitrak Sensor Location

Chevy Stabilitrak Sensor Location

Srx No Awd Cadillac Owners Forum

Srx No Awd Cadillac Owners Forum

Check Engine Light Never Goes Off Chevy Silverado And Gmc Sierra Forum

Check Engine Light Never Goes Off Chevy Silverado And Gmc Sierra Forum

Help Service Parking Brake Message Vauxhall Owners Network Forum

Help Service Parking Brake Message Vauxhall Owners Network Forum

Insignia 08 17 Rear Caliper Seized Vauxhall Owners Network Forum

Insignia 08 17 Rear Caliper Seized Vauxhall Owners Network Forum

P182e P0700 Code Gmc Acadia Forum

P182e P0700 Code Gmc Acadia Forum

G Meter Gone Corvetteforum Chevrolet Corvette Forum Discussion

G Meter Gone Corvetteforum Chevrolet Corvette Forum Discussion

Fix 2005 C6 Corvette Brake Lights Stay On With Vxdiag Vcx Nano Tech Ii Obdii365 Com Official Blog

Fix 2005 C6 Corvette Brake Lights Stay On With Vxdiag Vcx Nano Tech Ii Obdii365 Com Official Blog

Buick Enclave Specifications Diagnostic Information And Procedures Anti Lock Brake System

Buick Enclave Specifications Diagnostic Information And Procedures Anti Lock Brake System

Looking For Advice On Purchasing This Escalade Cadillac Owners Forum

Looking For Advice On Purchasing This Escalade Cadillac Owners Forum

Solved 2005 Sts Caddy When Abs Traction Control System Fixya

Solved 2005 Sts Caddy When Abs Traction Control System Fixya

I Have A 2007 Cadillac Escalade With A Traction Control Activation Issue The System Sometimes Will Reset Itself No

I Have A 2007 Cadillac Escalade With A Traction Control Activation Issue The System Sometimes Will Reset Itself No

How To Fix Code C0561 11 2021

How To Fix Code C0561 11 2021

2005 C6 Corvette Brake Lights Stay On Troubleshooting With Vxdiag Gm Vxdiagshop Com

2005 C6 Corvette Brake Lights Stay On Troubleshooting With Vxdiag Gm Vxdiagshop Com

Abs Trac Related To Egr Chevrolet Forum Chevy Enthusiasts Forums

Abs Trac Related To Egr Chevrolet Forum Chevy Enthusiasts Forums

Code C0045 And C0561 Abs Track Lights All Wheel Drive Off

Code C0045 And C0561 Abs Track Lights All Wheel Drive Off

Meriva B 2010 Engine Cutting Out Stalling Vauxhall Owners Network Forum

Meriva B 2010 Engine Cutting Out Stalling Vauxhall Owners Network Forum

2008 Acadia 2 Dealers And 3 Different Techs Can T Fix It A Challenge Gmc Acadia Forum

2008 Acadia 2 Dealers And 3 Different Techs Can T Fix It A Challenge Gmc Acadia Forum

Sudden Onset Of Traction And Check Engine Lights Chevy Trax Forum

Sudden Onset Of Traction And Check Engine Lights Chevy Trax Forum

Meriva B 2010 C0561 71 Cruise Control Parking Brake Stalling Vauxhall Owners Network Forum

Meriva B 2010 C0561 71 Cruise Control Parking Brake Stalling Vauxhall Owners Network Forum

Code C0045 And C0561 Abs Track Lights All Wheel Drive Off

Code C0045 And C0561 Abs Track Lights All Wheel Drive Off

Buick Enclave Specifications Diagnostic Information And Procedures Anti Lock Brake System

Buick Enclave Specifications Diagnostic Information And Procedures Anti Lock Brake System

Solved 2015 D13 What Does Dtc P113500 Indicate Fixya

Solved 2015 D13 What Does Dtc P113500 Indicate Fixya

Engine Codes And Car Is Misfiring Sonic Owners Forum

Engine Codes And Car Is Misfiring Sonic Owners Forum

2008 Saturn Vue Gm Inside News Forum

2008 Saturn Vue Gm Inside News Forum

3

3

Any corner garage can probably help you with this.

What is C0561 CHEVROLET code meaning. DTC C0561 77 - System Disabled Information Stored Engine Speed Out of Range DTC C0561 78 - System Disabled Information Stored Acceleration Pedal Position Out of Range DTC C0561 79 - System Disabled Information Stored Transmission Gear Invalid Data. GM has issued a service bulletin PIC5074B to address an issue with the traction control light on and a C0561 code stored. The Electronic Brake Control Module EBCM receives serial data messages from the Body Control Module BCM Engine Control Module ECM Instrument Panel Cluster IPC and the Transmission Control Module TCM which are needed to perform Antilock Brake System ABS Vehicle Stability Enhancement System VSES or Traction Control System TCS functions. The traction control system gets its data from the ABS system. The first code was C0561 System disabled info. This diagnostic procedure supports the following DTC. What is C0561 CHEVROLET code meaning. DTC C0561 code comes in 3 different flavors.


C codes are considered chassis code. C0561 System Disabled Information Stored EBCM DTC C0561 in Antilock Brake System This code is a result of the transmission code. This diagnostic procedure supports the following DTC. 2008 Chevrolet Equinox 34LP0601 Control module read only memory test failed C0550 ECU performance C0561 System disabled information stored invalid serial data received symptom 71vehicle will run. Reason for engine running rough. The first code was C0561 System disabled info. DTC C0561 code comes in 3 different flavors.

Post a Comment for "C0561 System Disabled Information Stored"